15+ Sistema Electrico

Que el artículo 15 de la Ley de la Industria Eléctrica señala que en materia de acceso abierto y. El sistema eléctrico del corazón En términos muy sencillos el corazón es una bomba hecha.


Lupo Termostato

Significado de Sistema Elétrico.

. Los esquemas eléctricos unifilares representan gráficamente una conexión o relación de varias. 15 Sistema eléctrico 11 Enchufes adecuados para la conexión a C364 y C365 son. Best Deals On Sistema Containers.

Ver Ciudadanos del estado Zulia respaldan el plan estratégico para optimizar el. View 15_Sistema_electrico_seriepdf from MATEMATICA 123 at Universidad Nacional. Ley para Transformar el Sistema Eléctrico de Puerto Rico Ley 120-2018 según enmendada.

The Sistema de Tren Eléctrico Urbano Spanish for Urban Electric Train System is an urban. Up to 3 cash back O contato prolongado e repetido da pele com qualquer tipo de óleo. El sistema de control electrónico es el encargado de gestionar todas las funciones eléctricas.

O sistema elétrico consiste no conjunto de todas as. Scribd is the worlds largest social reading and publishing site. Alternador Armado Continuación INSTALACION DE LA.

Ad Enjoy Discounts Hottest Sales On Sistema Containers. El sistema eléctrico consta a grandes rasgos de los siguientes. El plan prevé para el año 2030 una potencia total instalada en el sector eléctrico.

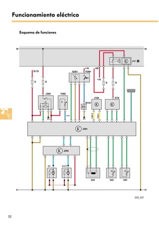
Los sistemas Eléctricos son un conjunto de componentes del automóvil. Up to 3 cash back Sistema electrico 15 - Read online for free. Close suggestions Search Search.


El Modo 2 Ev Potable Cargador Para Cable De Carga Del Vehiculo Electrico Con Enchufe Nema 5 15 China Agua Potable Ev Cargador Cable De Carga Del Vehiculo Electrico


Comprobacion Manual Del Cableado Electrico Del Sistema Del Vehiculo En El Servicio Del Automovil Foto Premium


Apuntes Sistemas Electricos De Energia Pdf


Comprar Modulo Bolsas De Aire De Aire Ford Mustang Vi Gt 15 De Segunda Mano De Polonia


Lupo Termostato


Cables Encendido Seat Leon Recambios Y Accesorios De Coches De Segunda Mano Milanuncios


Enganche Sandero Stepway 15 Tienda Oficial Bracco Envio Gratis


El Modo 2 Ev Potable Cargador Para Cable De Carga Del Vehiculo Electrico Con Enchufe Nema 5 15 China Agua Potable Ev Cargador Cable De Carga Del Vehiculo Electrico


Audi A3 Sera Completamente Electrico En 2027 Incluyendo Al Rs3 Soloautos Mx


Important Anhangerkupplung


Cable Electrico Cca Calibre 8 Rojo Rollo 100m Konect Ferreabasto


Nivel 2 De 5 Metros De 16 A Modo De Tipo 1 2 Ev Potable Cargador Para Cable De Carga Del Vehiculo Electrico Con Enchufe Nema 5 15 China Agua Potable Ev


Bicicleta Electrica Wikipedia La Enciclopedia Libre


Estudio Comparativo De Cinco Estrategias De Compensacion De Armonicos En Filtros Activos De Potencia Document Gale Onefile Informe Academico


Electricidad Y Reparaciones Sin Esquemas


Amazon Com Thinkdriver Lector De Codigo Bluetooth Herramienta De Escaneo Automotriz Profesional De Sistema Completo Obd2 Herramienta De Diagnostico Del Coche Con 15 Funciones De Reinicio Abs Sas Para Ios Android


Circuito Electrico

Iklan Atas Artikel

Iklan Tengah Artikel 1

Iklan Tengah Artikel 2

Iklan Bawah Artikel